Прочность металла и стойкость полимеров: «Химагрегат» предлагает футерованные трубы
20 февраля 2026 года
Сергей Григорьев – Зам. генерального директора по НИОКР
Дмитрий Старцев – Начальник конструкторской группы
Артем Чужаков – Старший менеджер
АО «Группа компаний «ХИМАГРЕГАТ»
В химической промышленности, где ежедневно приходится иметь дело с высокоагрессивными средами — кислотами, щелочами и другими коррозионно-активными веществами, — критически важно использовать оборудование, способное выдерживать экстремальные условия эксплуатации.

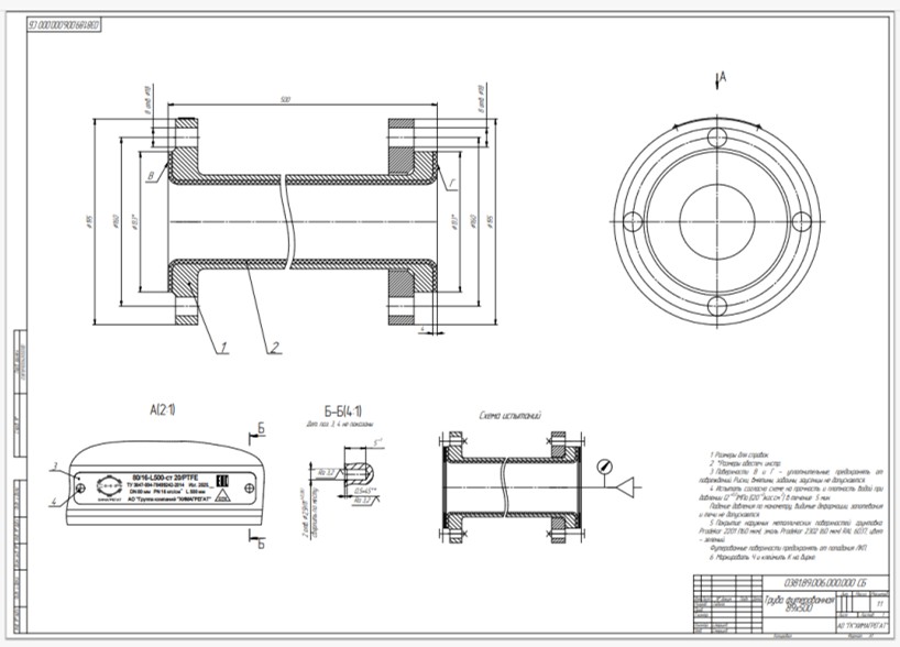
Футерованные трубы производства АО «Группа компаний «Химагрегат»
Ключевой элемент таких систем — трубопроводы. АО «Группа компаний «Химагрегат» (производство освоено на базе ООО ПСЦ «Химагрегат») предлагает высокотехнологичные трубы — решение, сочетающее прочность металла и химическую стойкость полимеров, а именно футерованные трубы из стеклопластика, углеродистой и нержавеющей стали.

Ежедневно сталкиваясь с транспортировкой кислот, щелочей и растворителей, предприятия ищут «золотую середину» между прочностью металла и инертностью пластика. Футерованные трубы от АО «Группа компаний «Химагрегат» стали именно таким решением. Металлический каркас (из углеродистой или нержавеющей стали) берет на себя механические нагрузки, а внутренний полимерный слой гарантирует герметичность и стойкость к средам.
Что мы предлагаем?
Наша продукция — это высокотехнологичные трубы, футерованные (покрытые изнутри) полимерными материалами:
- фторопластом;
- полипропиленом;
- сверхвысокомолекулярным полиэтиленом.
Такое комбинированное строение обеспечивает:
- механическую прочность за счёт металлического каркаса;
- химическую стойкость благодаря полимерному внутреннему слою, устойчивому к агрессивным средам;
- долговечность конструкции при эксплуатации в сложных условиях.


Ключевые технические характеристики
Наши футерованные трубы соответствуют самым строгим промышленным требованиям (в частности требованиям технического регламента Таможенного союза ТР ТС 032/2013 «О безопасности оборудования, работающего под избыточным давлением» ):
- Номинальное давление (PN): 0,6; 1,0; 1;6 МПа.
- Условный проход (DN): от 25 мм до 600 мм.
- Длина трубы: от 100 мм до 6000 мм.
- Температурный диапазон эксплуатации: от −50 °C до +180 °C.
Особая технология футеровки, применяемая на нашем производстве, позволяет практически исключить зазор между металлическим и полимерным слоями. Это гарантирует:
- герметичность соединения;
- отсутствие отслоений при перепадах давления и температуры;
- равномерное распределение нагрузок по всей конструкции.
Контроль качества труб, футерованных фторопластом Ф-4, осуществляется в соответствии с ТУ 3647-004-78499242-2014.

Где применяются наши трубы?
Футерованные трубы АО «Группа компаний «Химагрегат» идеально подходят для:
- транспортировки высокоагрессивных сред (кислот, щелочей, растворителей и т. п.);
- обвязки химического ёмкостного оборудования;
- подключения насосных станций в коррозионноопасных зонах;
- создания технологических линий на предприятиях химической, металлургической и смежных отраслей.
Наши клиенты — лидеры отрасли
Качество и надёжность нашей продукции подтверждены многолетней эксплуатацией на крупнейших промышленных предприятиях России:
- АО «Апатит»;
- АО «НАК «АЗОТ»;
- ПАО «Корпорация ВСМПОАВИСМА»;
- ПАО «Северсталь»;
- ПАО «ММК»;
- ПАО «ЕВРАЗ»;
- АО «ЧМЗ»;
- ООО «СодаХлорат»;
- ПАО «ХИМПРОМ» и др.
Эти компании выбрали нас, потому что:
- мы гарантируем соответствие продукции отраслевым стандартам;
- предлагаем индивидуальные решения под конкретные задачи заказчика;
- обеспечиваем оперативную поставку труб любых типоразмеров из ассортимента.
Почему стоит выбрать нас?
- Современные технологии. Мы используем передовые методы футеровки, обеспечивающие безупречное сцепление металла и полимера.
- Широкий ассортимент. В нашем каталоге — трубы различных диаметров, длин и материалов футеровки.
- Опыт и экспертиза. Мы знаем, какие требования предъявляются к трубопроводам в химической промышленности, и учитываем их в каждом проекте.
- Надёжность поставок. Мы ценим время клиентов и строго соблюдаем договорные обязательства.
Свяжитесь с нами!
Хотите узнать больше о футерованных трубах от АО «Группа компаний «Химагрегат» или получить коммерческое предложение? Наши специалисты готовы:
- проконсультировать по техническим характеристикам;
- подобрать оптимальное решение для ваших задач;
- рассчитать стоимость и сроки поставки.
Выбирайте надёжность, проверенную лидерами отрасли!
АО «Группа компаний «Химагрегат» — ваш партнёр в создании безопасных и долговечных трубопроводных систем.
ПСЦ «Химагрегат» — технологии, которым можно доверять.
Свяжитесь с нами для получения более подробной информации о наших насосах, решениях и услугах.





